24C03
西安大合智能科技有限公司
24C03
产品规格书
2025年12月23日
更改历史页
版本 | 修订人 | 审核人 | 批准人 | 生效日期 | 修订内容简述 |
1.0 | 吴鑫磊 | 管振 | 乔宇 | 20251223 | 创建 |
目 录
1. 应用背景
24C03型号LRM大容量存储模块首次应用于54所电子战的采集存储LRM机箱,负责实现高速高带宽数据的存储应用。
2. 产品概述
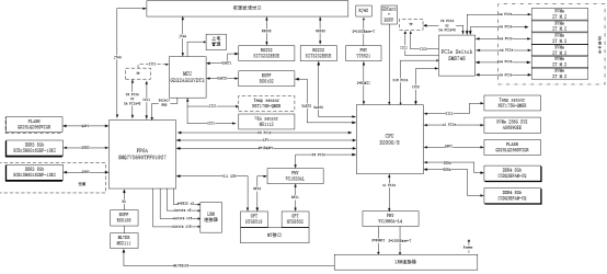
LRM大容量存储模块由飞腾D2000系列CPU、国微SMQ7V690T系列FPGA、DDR3、接口电路等组成。
2.1. LRM大容量存储模块功能
数据通过背板总线或者光口连接器传输到FPGA中进行前级处理。处理过的数据通过FPGA的PCIE3.0x8总线传输到D2000下挂的RAID盘组中。D2000预装麒麟桌面操作系统,通过网口远程登录操作系统,进行对数据存储空间查看、数据备份、数据转存等数据处理业务。
2.2. 实时监控功能
平台还集成一片MCU,实现实时监控,电压温度采集,健康上报等功能。
2.3. 对外接口功能
LRM大容量存储模块对外接口划分为3部分,数据存储接口、数据转存接口以及调试接口。考虑到使用的IO资源及存储资源比较多, FPGA选用国微公司成熟国产化芯片SMQ7V690T。
3. 技术参数
3.1. 电气技术参数
l 存储容量:8TB;
l 数据存储接口:GTH接口;
l 数据转存速率:不低于50MB/s;
l 数据转存接口:千兆网;
l 核心器件国产化率100%,器件质量等级为工业级。
3.2. 机械技术参数
a) 结构
外形尺寸:233.4(+0.1/-0.3)mm×160(+0.1/-0.3)mm×24(+0.1/-0.3)mm;
b) 连接器型号
LRMS1-A288-B189G2R-T2-MZ。
3.3. 功耗参数
供电+28V,供电波动范围±10%;
常温总功耗≤100W。
4. 框图

图1. 框图
5. 实物展示

图2. 实物图片